U3 Rutsche mit Podest – RECYCLED RC1441 von Vinci Play
Immer im Blick: eine „gesündere“ Erde. Dafür haben wir die RECYCLED-Serie erschaffen. Dank neuer Technologien können wir viele Strukturelemente aus Textilabfällen und Folien herstellen. Die HDPE-Platten der Dächer, Seitenwände und spielerischen Elemente werden aus Fischernetzen- und seilen gefertigt.
- Professionelle Produkte, Verpackung und Lieferung
- eZertifikate zuverlässiger Einrichtungen
Materialien in hoher Qualität - Entsprechend der Norm EN 1176-1:2017
- Professionelle Produktion, Verpackung und Lieferung
- Intellektuelle Entwicklung: Manipulation, Denken
- Körperliche Entwicklung: Rutschen
- Anzahl der Rutschen: 1
Technische Daten U3 Rutsche mit Podest – RECYCLED RC1441 von Vinci Play
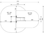
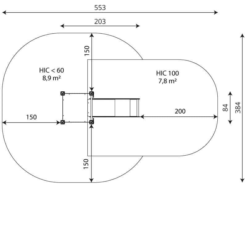
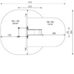
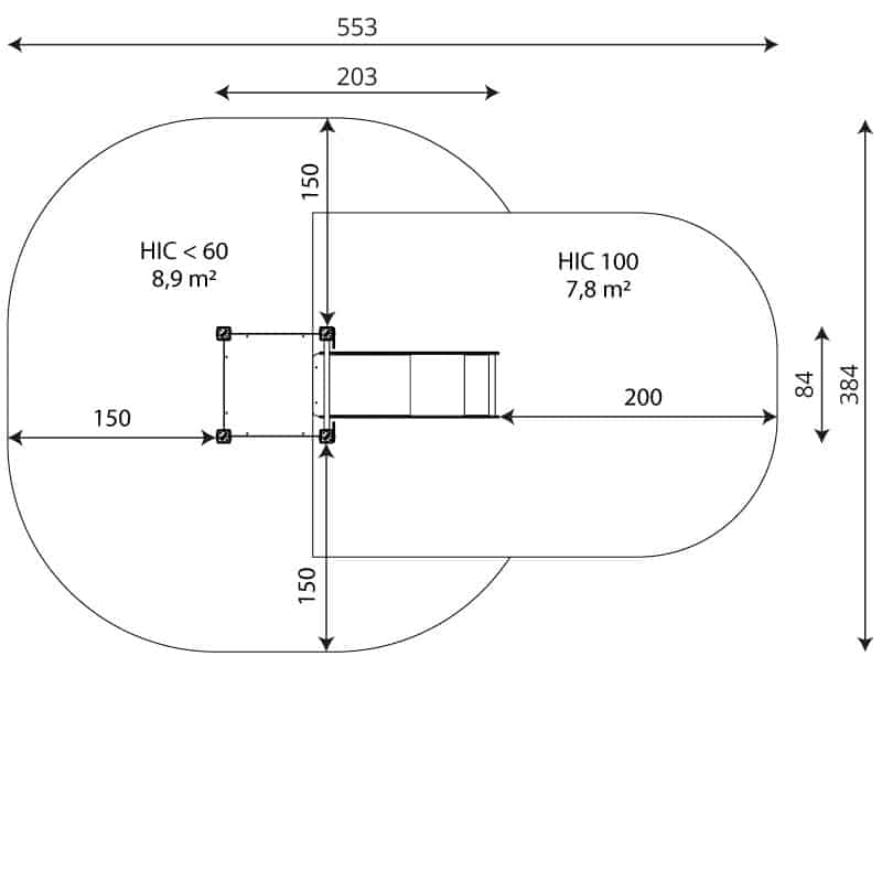
- Länge: 203 cm
- Breite: 84 cm
- Gesamthöhe: 171 cm
- Altersgruppe: 1-8 Jahre
- Anzahl der Nutzer: 3 Kinder
- Sicherheitszone: 16,7 m2
- Freie Fallhöhe: <60 cm
- Plattformhöhe: 35 cm
- Gewicht Größtes Teil: 25 kg
- Maße Größtes Teil: 160x52x15 cm
- Gemäß Norm EN1176-1:2017
- Verfügbarkeit von Ersatzteilen: ja
- Installationszeit: 3,0 Std.
Materialangabe U3 Rutsche mit Podest – RECYCLED RC1441 von Vinci Play
- Die Struktur besteht aus einem langlebigen, feuchtigkeitsbeständigen und kältebeständigen recycelten Verbundwerkstoff.
- Plattformen aus langlebigem, rutschfestem und wasserfestem Sperrholz oder HPL-Platte,
- Die Abdeckungen bestehen aus recycelten HDPE-Platten und sind witterungsbeständig. Rutschen aus Edelstahl mit Seitenwänden aus recycelten HDPE-Platten, beständig gegen atmosphärische Bedingungen.
- Edelstahlstangen,
- Edelstahlschrauben und/oder mit Kunststoffkappen abgedeckte Schrauben
Weitere Informationen
- Für öffentliche Spielplätze geeignet
- die Geräte verfügen über ein von einer akkreditierten Stelle ausgestelltes Zertifikat oder eine Konformitätserklärung;
- keine scharfen Kanten oder Öffnungen, die die Gefahr des Einklemmens des Kopfes, der Finger oder anderer Körperteile mit sich bringen könnten;
- Verankerung auf ebener Fläche, 80/70/60 cm tief;
- Die Rutsche sollte nicht in Richtung Süden ausgerichtet sein;
- Die Darstellung dient nur als Referenz, das tatsächliche Aussehen des Geräts und seine Farbe können abweichen;
Garantien
- 30 Jahre Garantie – Strukturfestigkeit von Stahl- und Edelstahlkomponenten
- 15 Jahre Garantie – Strukturelles Versagen von Stahl und Edelstahl, für dynamische Ausrüstung
- 10 Jahre Garantie – Strukturelles Versagen von Komponenten aus hochdichtem Polyethylen und Hochdrucklaminaten
- 5 Jahre Garantie – Korrosion von Edelstahl und feuerverzinkten und pulverbeschichteten Komponenten; gegen Borkenkäfer und Fäulnis bei Holzbauteilen
- Detaillierte Informationen in der Garantiekarte

Rezensionen
Es gibt noch keine Rezensionen.