U3-Spielturm mit Rutsche und Podest MINISWEET 0112 von Vinci Play
Die MINISWEET-Serie besteht aus Spielgeräten, die für die jüngsten Kinder und Vorschulkinder entwickelt wurden. Freundliche Häuser, Tunnel und Rutschen sind ein idealer Ort, um gemeinsam Spaß zu haben. Hier lernt das Kind auch die Prinzipien des Funktionierens in einer Gruppe und perfektioniert seine Sprachkenntnisse. MINISWEET-Geräte regen Kinder zur Bewegung an und unterstützen die Entwicklung wichtiger Mobilitätsfähigkeiten. Sie ermöglichen jedem Kleinkind einen fröhlichen und unbeschwerten Spielspaß.
- Hochwertige Materialien
- Zertifikate zuverlässiger Institutionen – TÜV Rheinland, ISO 9001
- Professionelle Produktion, Verpackung und Lieferung
- Intellektuelle Entwicklung durch Musik, Denken und Spielen
- Körperliche Entwicklung: Rutschen, Klettern und Balancieren
- Anzahl Türme: 1
- Anzahl Dächer: 1
- Anzahl Rutschen: 1
- Anzahl interaktiver Elemente: 4
- Anzahl Aktivitäten-Elemente: 1
Technische Daten U3-Spielturm mit Rutsche und Podest MINISWEET 0112 von Vinci Play
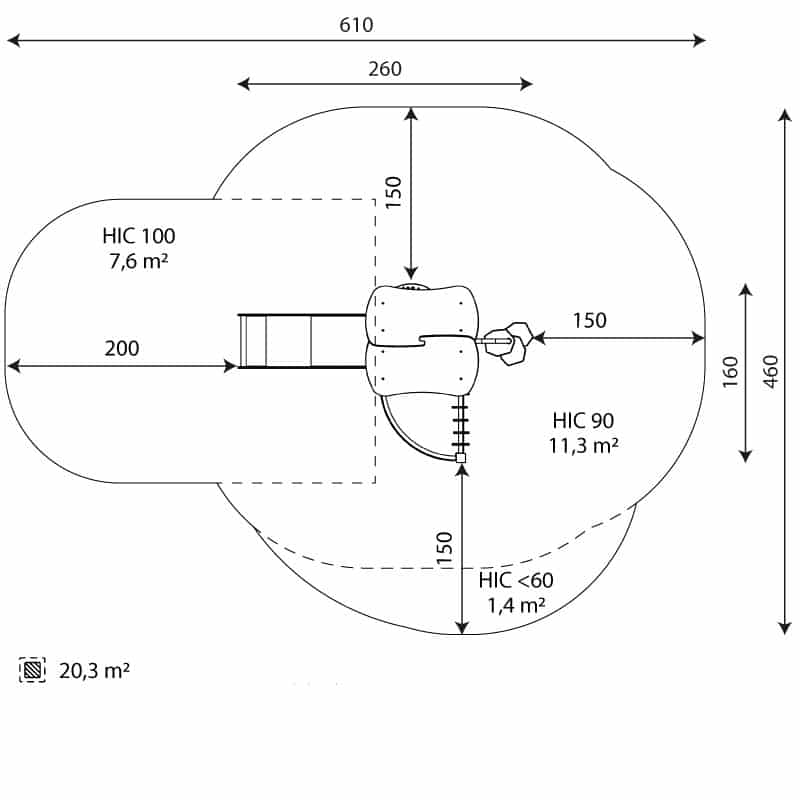
- Länge: 260 cm
- Breite: 160 cm
- Gesamthöhe: 250 cm
- Altersgruppe: 1-8 Jahre
- Anzahl der Nutzer: 11 Kinder
- Sicherheitszone: 20,3 m2
- Freie Fallhöhe: 90 cm
- Die Höhe der Plattformen: 59 und 90 cm
- Gemäß Norm EN1176-1:2017
- Gewicht des schwersten Teils: 12 kg
- Abmessungen des größten Teils: 260x8x8 cm
- Verfügbarkeit von Ersatzteilen: ja
- Installationszeit: 4,0 Std
Materialangabe U3-Spielturm mit Rutsche und Podest MINISWEET 0111 von Vinci Play
- Edelstahl, feuerverzinkt und pulverbeschichtet oder pulververzinkte und pulverbeschichtete Stahlkonstruktion aus 80 x 80 mm Profil,
- Balkone aus feuerverzinktem und pulverbeschichtetem Stahl,
- Plattformen aus strapazierfähigem, rutschfestem und wasserfestem Sperrholz oder HPL-Platte,
- Dächer, Seitenwände aus strapazierfähigem HDPE- oder HPL-Blech, witterungsbeständig,
- Rutschen aus Edelstahl mit strapazierfähigen Seitenteilen aus HDPE oder HPL, Feuerwehrstange aus Edelstahl,
- Bewegliche Elemente aus strapazierfähigem HDPE- oder HPL-Blech, witterungsbeständig,
- Stangen aus Edelstahl,
- Mit Kunststoffkappen abgedeckte Schrauben und/oder Edelstahlschrauben,
- Sichere Endkappen oben auf der Struktur aus Gummi oder Polypropylen,
Weitere Informationen
- behindertengerechte Ausrüstung; bestimmt für öffentliche Spielplätze;
- das Gerät hat ein von einer akkreditierten Stelle ausgestelltes Zertifikat oder eine Konformitätserklärung;
- keine scharfen Kanten oder Ritzen, an denen Kopf, Finger oder andere Körperteile verletzt werden könnten;
- Verankerung auf ebener Fläche, 80/70/60 cm tief; Rutsche sollte nicht nach Süden eingebaut werden;
- Rendering dient nur als Referenz, das tatsächliche Aussehen des Geräts und seine Farbe können variieren;
Garantien
- 30 Jahre Garantie – Strukturfestigkeit von Stahl- und Edelstahlkomponenten
- 15 Jahre Garantie – Strukturelles Versagen von Stahl und Edelstahl, für dynamische Ausrüstung
- 10 Jahre Garantie – Strukturelles Versagen von Komponenten aus hochdichtem Polyethylen und Hochdrucklaminaten
- 5 Jahre Garantie – Korrosion von Edelstahl und feuerverzinkten und pulverbeschichteten Komponenten; gegen Borkenkäfer und Fäulnis bei Holzbauteilen
- Detaillierte Informationen in der Garantiekarte

Rezensionen
Es gibt noch keine Rezensionen.