U3-Spieltürme mit Rutsche und Sandaufzug WOODEN WD1436 von Vinci Play
Die WOODEN-Serie ist eine endlose Inspirationsquelle für jüngere und ältere Kinder, wie man Spaß haben kann. Verschiedene pädagogische und sensorische Tafeln, gepaart mit beweglichen Elementen, werden den Kindern viel Freude bereiten und großes Interesse wecken. Die umweltfreundlichen Holzgeräte aus der WOODEN-Serie regen die umfassende körperliche Entwicklung des Kindes an und ermöglichen auch das gemeinsame Spielen einer großen Kindergruppe. Dadurch lernt das Kind, Beziehungen zu seinen Mitmenschen aufzubauen und als Teil eines Teams zu arbeiten.
- Hochwertige Materialien
- Zertifikate zuverlässiger Institutionen – TÜV Rheinland, ISO 9001
- Professionelle Produktion, Verpackung und Lieferung
- Intellektuelle Entwicklung durch Denken und Spielen
- Körperliche Entwicklung: Rutschen und Klettern
- Anzahl Türme: 2
- Anzahl Rutschen: 2
- Anzahl interaktiver Elemente: 2
- Anzahl Aktivitäten-Elemente: 2
- Anzahl Treppen: 1
Technische Daten U3-Spieltürme mit Rutsche und Sandaufzug WOODEN WD1436 von Vinci Play
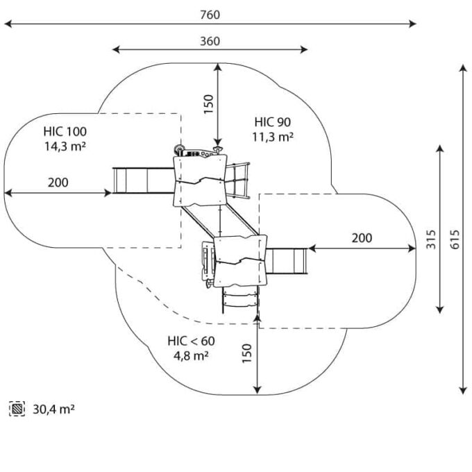
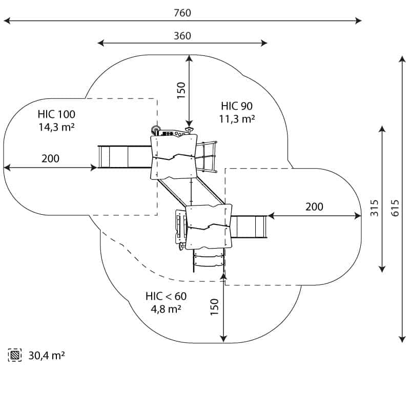
- Länge: 360 cm
- Breite: 315 cm
- Gesamthöhe: 280 cm
- Altersgruppe: 1-8 Jahre
- Anzahl der Nutzer: 14 Kinder
- Sicherheitszone: 30,4 m2
- Freie Fallhöhe: 90 cm
- Plattformhöhe: 59, 90 cm
- Gemäß Norm EN1176-1:2017
- Gewicht des schwersten Teils: 22 kg
- Abmessungen des größten Teils: 257x9x9 cm
- Verfügbarkeit von Ersatzteilen: ja
- Installationszeit: 6 Std
Materialangabe U3-Spieltürme mit Rutsche und Sandaufzug WOODEN WD1436 von Vinci Play
- Konstruktion aus hochwertigstem laminiertem, imprägniertem und doppelt beschichtetem Kiefernholz 90 x 90 mm ohne Knoten, von oben mit Polypropylenstopfen gesichert,
- Metallanker aus feuerverzinktem Stahl, die das Holz vor direktem Kontakt mit dem Boden schützen, um Fäulnis zu verhindern und die Lebensdauer des Produkts zu verlängern, Plattformen, Kletterwände und Stufen aus strapazierfähigem, rutschfestem und wasserfestem Sperrholz oder HPL-Platte,
- Konstruktion für Plattformen aus feuerverzinktem und pulverbeschichtetem Stahl; Dächer, Seitenwände aus strapazierfähigem HDPE- oder HPL-Blech, witterungsbeständig,
- Rutschen aus Edelstahl mit strapazierfähigen Seitenwänden aus HDPE oder HPL,
- Blumen aus strapazierfähiger HDPE- oder HPL-Platte, witterungsbeständig; unterirdische Installation aus Kunststoff verbindet 2 Edelstahlprofile und ermöglicht die Kommunikation,
- Klettersteine aus strapazierfähiger HDPE-Platte, witterungsbeständig, kalibrierte Edelstahlketten, verhindert das Einklemmen der Finger,
- Stangen und Handläufe aus Edelstahl,
- Mit Kunststoffkappen abgedeckte Schrauben und/oder Edelstahlschrauben,
Weitere Informationen
- Ausrüstung für öffentliche Spielplätze;
- das Gerät hat ein von einer akkreditierten Stelle ausgestelltes Zertifikat oder eine Konformitätserklärung;
- keine scharfen Kanten oder Ritzen, an denen Kopf, Finger oder andere Körperteile verletzt werden könnten;
- Verankerung auf ebener Fläche, 80/70/60 cm tief; Rutsche sollte nicht nach Süden eingebaut werden;
- Rendering dient nur als Referenz, das tatsächliche Aussehen des Geräts und seine Farbe können variieren;
Garantien
- 30 Jahre Garantie – Strukturfestigkeit von Stahl- und Edelstahlkomponenten
- 15 Jahre Garantie – Strukturelles Versagen von Stahl und Edelstahl, für dynamische Ausrüstung
- 10 Jahre Garantie – Strukturelles Versagen von Komponenten aus hochdichtem Polyethylen und Hochdrucklaminaten
- 5 Jahre Garantie – Korrosion von Edelstahl und feuerverzinkten und pulverbeschichteten Komponenten; gegen Borkenkäfer und Fäulnis bei Holzbauteilen
- Detaillierte Informationen in der Garantiekarte

Rezensionen
Es gibt noch keine Rezensionen.