U3 Spielhaus mit Bank, Zaun und Spieltisch – RECYCLED RC0824 von Vinci Play
Immer im Blick: eine „gesündere“ Erde. Dafür haben wir die RECYCLED-Serie erschaffen. Dank neuer Technologien können wir viele Strukturelemente aus Textilabfällen und Folien herstellen. Die HDPE-Platten der Dächer, Seitenwände und spielerischen Elemente werden aus Fischernetzen- und seilen gefertigt.
- Professionelle Produkte, Verpackung und Lieferung
- eZertifikate zuverlässiger Einrichtungen
Materialien in hoher Qualität - Entsprechend der Norm EN 1176-1:2017
- Professionelle Produktion, Verpackung und Lieferung
- Behinderung erleichtern: einfacher Zugang, Integration, Dächer
- Intellektuelle Entwicklung: Manipulation und Denken
- Körperliche Entwicklung: Ausruhen und Verstecken
- Anzahl der Dächer: 1
- Anzahl der Aktivitätselemente: 7
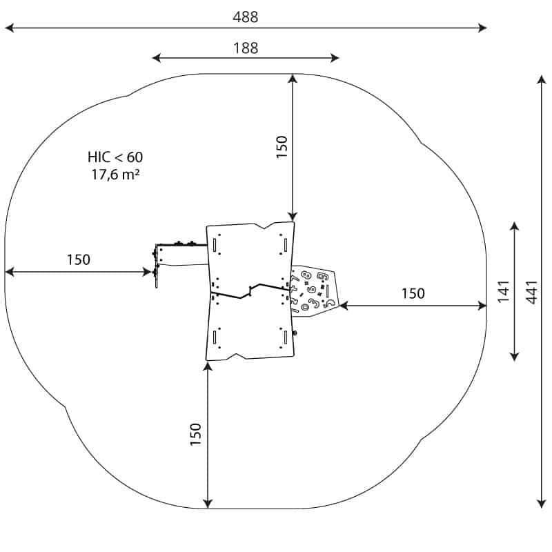
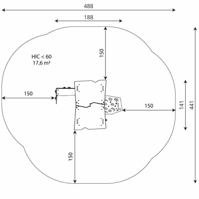
Technische Daten U3 Spielhaus mit Bank, Zaun und Spieltisch – RECYCLED RC0824 von Vinci Play
- Länge: 188 cm
- Breite: 141 cm
- Gesamthöhe: 155 cm
- Altersgruppe: 1-8 Jahre
- Anzahl der Nutzer: 13 Kinder
- Sicherheitszone: 17,6 m2
- Freie Fallhöhe: <60 cm
- Plattformhöhe: 4 cm
- Gewicht Größtes Teil: 16 kg
- Maße Größtes Teil: 120x31x2 cm
- Gemäß Norm EN1176-1:2017
- Verfügbarkeit von Ersatzteilen: ja
- Installationszeit: 3,0 Std.
Materialangabe U3 Spielhaus mit Bank, Zaun und Spieltisch – RECYCLED RC0824 von Vinci Play
- Konstruktion aus feuerverzinktem Stahl,
- Plattformen aus langlebigem, rutschfestem und wasserfestem Sperrholz oder HPL-Platte,
- Dächer und Seitenteile aus recycelten HDPE-Platten, witterungsbeständig, grüne HDPE-Platten aus 100 % recycelten Materialien, z.B. Meeresabfälle wie Fischernetze und Seile
- Elemente aus recycelten HDPE-Platten, witterungsbeständig, Zeichenbrett aus langlebigem, wasserfestem Sperrholz oder HPL-Platte, witterungsbeständig,
- Schrauben mit Kunststoffkappen und/oder Edelstahlschrauben abgedeckt
Weitere Informationen
- Für öffentliche Spielplätze geeignet
- die Geräte verfügen über ein von einer akkreditierten Stelle ausgestelltes Zertifikat oder eine Konformitätserklärung;
- keine scharfen Kanten oder Öffnungen, die die Gefahr des Einklemmens des Kopfes, der Finger oder anderer Körperteile mit sich bringen könnten;
- Verankerung auf ebener Fläche, 80/70/60 cm tief;
- Die Rutsche sollte nicht in Richtung Süden ausgerichtet sein;
- Die Darstellung dient nur als Referenz, das tatsächliche Aussehen des Geräts und seine Farbe können abweichen;
Garantien
- 30 Jahre Garantie – Strukturfestigkeit von Stahl- und Edelstahlkomponenten
- 15 Jahre Garantie – Strukturelles Versagen von Stahl und Edelstahl, für dynamische Ausrüstung
- 10 Jahre Garantie – Strukturelles Versagen von Komponenten aus hochdichtem Polyethylen und Hochdrucklaminaten
- 5 Jahre Garantie – Korrosion von Edelstahl und feuerverzinkten und pulverbeschichteten Komponenten; gegen Borkenkäfer und Fäulnis bei Holzbauteilen
- Detaillierte Informationen in der Garantiekarte

Rezensionen
Es gibt noch keine Rezensionen.