Spielturm mit Rutsche, Treppe, Klettersteinen und Spielwand – STEEL+ 1701 von Vinci Play – Der perfekte Abenteuerspielplatz für kleine Entdecker!
Lassen Sie die Abenteuer für Ihre kleinen Entdecker beginnen mit dem aufregenden Spielturm STEEL+ 1701! Dieses vielseitige Spielgerät wurde speziell für Kinder im Alter von 1 bis 8 Jahren entwickelt und bietet jede Menge Spielspaß, Lernmöglichkeiten und körperliche Aktivitäten. Ob Rutschen, Klettern oder Spielen – die Möglichkeiten sind nahezu unbegrenzt!
Vorteile des Produktes
- Vielfältige Spielmöglichkeiten: Der STEEL+ 1701 vereint in einem frechen Design eine aufregende Rutsche, eine sichere Treppe, herausfordernde Klettersteine und eine kreative Spielwand. Hier können Kinder ihre körperlichen Fähigkeiten testen, während sie das Gefühl von Freiheit und Abenteuer genießen.
- Robuste und nachhaltige Materialien: Der Spielturm ist aus feuerverzinktem und pulverbeschichtetem Stahl gefertigt und sorgt für maximale Haltbarkeit. Die Plattformen, Kletterwände und Stufen bestehen aus rutschfesten, wasserfesten HPL-Platten, die auch bei rauen Witterungsverhältnissen standhalten.
- Sicherheit hat oberste Priorität: Der STEEL+ 1701 erfüllt alle erforderlichen Sicherheitsstandards gemäß EN 1176-1:2017+A1:2023. Abgerundete Kanten, sichere Endkappen und die Verwendung von hochwertigen Schrauben minimieren das Verletzungsrisiko und ermöglichen ein unbeschwertes Spielen.
Technische Details im Überblick
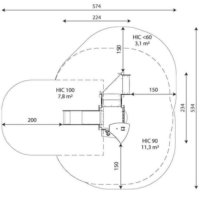
- Maße:
- Länge: 224 cm
- Breite: 234 cm
- Gesamthöhe: 286 cm
- Alter: 1 – 8 Jahre
- Anzahl der Benutzer: 9 Kinder
- Sicherheitsbereich: 22,2 m²
- Höhe des freien Falls: 90 cm
- Höhe der Plattformen: 90 cm
- Höhe Rutschenplattform: 90 cm
- Gewicht des schwersten Teils: 20 kg
- Abmessungen des größten Teils: 335 x 8 x 8 cm
- Verfügbarkeit von Ersatzteilen: Ja
- Installationszeit: ca. 4 Stunden
Ihr kreatives Highlight für aktive Spielstunden
Holen Sie sich den Spielturm STEEL+ 1701 und schaffen Sie eine spannende und sichere Umgebung für Ihre Kinder! Dieses hochwertige Spielgerät fördert nicht nur die körperliche Aktivität, sondern regt auch die Kreativität und Fantasie an. Lassen Sie die kleinen Abenteuerlustigen ihre Grenzen erkunden und verbringen Sie unvergessliche Stunden voller Spaß und Bewegung!
Materialangabe
- Feuerverzinkte und pulverbeschichtete oder pulverbeschichtete oder rostfreie Stahlkonstruktion aus 80 x 80 mm Profil,
- Plattformen, Kletterwände und Stufen aus rutschfesten und wasserfesten HPL-Platten,
- Seitenwände aus witterungsbeständiger HDPE-Platte, witterungsbeständig Rutschen aus rostfreiem Stahl mit langlebigen HDPE-Seitenwänden,
- Bewegliche Elemente aus witterungsbeständiger HDPE-Platte, witterungsbeständig, Kugelförmige Fenster aus Polykarbonat,
- Langlebige Klettersteine aus Polyesterharz-Verbundstoff mit mineralischen Füllstoffen,
- Stangen und Handläufe aus rostfreiem Stahl,
- Schrauben mit Kunststoffkappen und/oder Schrauben aus rostfreiem Stahl, Sichere Endkappen auf der Oberseite der Struktur aus Gummi oder Polypropylen
Weitere Informationen
- Inklusives Geräte für öffentliche Spielplätze geeignet
- die Geräte verfügen über ein von einer akkreditierten Stelle ausgestelltes Zertifikat oder eine Konformitätserklärung;
- keine scharfen Kanten oder Öffnungen, die die Gefahr des Einklemmens des Kopfes, der Finger oder anderer Körperteile mit sich bringen könnten;
- Verankerung auf ebener Fläche, 80/70/60 cm tief;
- Die Rutsche sollte nicht in Richtung Süden ausgerichtet sein;
- Die Darstellung dient nur als Referenz, das tatsächliche Aussehen des Geräts und seine Farbe können abweichen;
Garantien
- 30 Jahre Garantie – Strukturfestigkeit von Stahl- und Edelstahlkomponenten
- 15 Jahre Garantie – Strukturelles Versagen von Stahl und Edelstahl, für dynamische Ausrüstung
- 10 Jahre Garantie – Strukturelles Versagen von Komponenten aus hochdichtem Polyethylen und Hochdrucklaminaten
- 5 Jahre Garantie – Korrosion von Edelstahl und feuerverzinkten und pulverbeschichteten Komponenten; gegen Borkenkäfer und Fäulnis bei Holzbauteilen
- Detaillierte Informationen in der Garantiekarte

Rezensionen
Es gibt noch keine Rezensionen.