Spielturm mit Rutsche, Klettersteinen und Leitern – ROBINIA RB1215 von Vinci Play – Abenteuer und Spaß für Ihre kleinen Entdecker!
Erleben Sie unvergessliche Spielstunden mit unserem beeindruckenden Spielturm mit Rutsche, Klettersteinen und Leitern – ROBINIA RB1215! Dieses vielseitige Spielgerät ist perfekt für Kinder ab 5 Jahren und bietet zahlreiche Möglichkeiten zur Förderung körperlicher Aktivität und sozialer Interaktion. Ob klettern, rutschen oder schwingen – hier gilt: Vergnügen garantiert!
Vorteile des Produktes
- Vielfältige Spielmöglichkeiten: Der RB1215 lädt Kinder ein, ihre Kräfte zu messen und ihre Geschicklichkeit zu trainieren. Mit einer aufregenden Rutsche, spannenden Klettersteinen und robusten Leitern wird der gesamte Spielplatz zum Abenteuerspielplatz, der Kinder immer wieder aufs Neue begeistert.
- Robuste und nachhaltige Materialien: Der Spielturm wird aus hochwertigem Robinienholz gefertigt, das für seine Langlebigkeit und Witterungsbeständigkeit bekannt ist. Mit einem Durchmesser von ca. 18 cm sorgt das Holz für Stabilität und Sicherheit. Alle Oberflächen sind sorgfältig verarbeitet, sodass Ihre Kinder vor scharfen Kanten geschützt sind.
- Sicherheit, die zählt: Die Konstruktion erfüllt die strengen Sicherheitsstandards der Norm EN 1176-1:2017+A1:2023. Kalibrierte Ketten aus rostfreiem Stahl und geprüfte Sitze gewährleisten ein unterbrechungsfreies Spielerlebnis. Zum Schutz der Kinder sind alle Kanten abgerundet und es gibt keine Gefahrenquellen für Einklemmungen.
Technische Details im Überblick
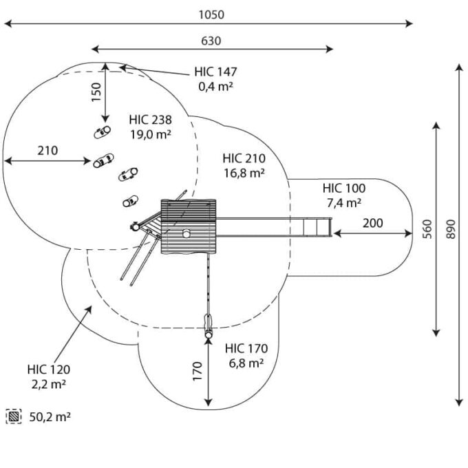
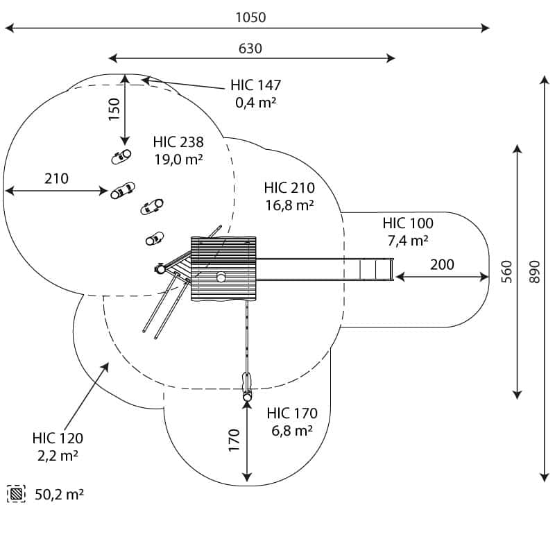
- Maße:
- Länge: 630 cm
- Breite: 560 cm
- Gesamthöhe: 435 cm
- Alter: Ab 5 Jahren
- Anzahl der Benutzer: 22 Kinder
- Sicherheitsbereich: 50,2 m²
- Höhe des freien Falls: 238 cm
- Höhen der Plattformen: 90 cm, 120 cm, 210 cm
- Gewicht des schwersten Teils: 109 kg
- Abmessungen des größten Teils: 470 x 18 x 18 cm
- Verfügbarkeit von Ersatzteilen: Ja
- Installationszeit: ca. 6,5 Stunden
Ihr kreatives Highlight für aktive Spielstunden
Verwandeln Sie Ihren Spielplatz in ein wahres Abenteuerland mit dem Spielturm mit Rutsche, Klettersteinen und Leitern – ROBINIA RB1215! Dieses hochwertige Spielgerät fördert sowohl die körperliche Aktivität als auch das kreative Spiel und wird die Herzen Ihrer kleinen Abenteurer im Sturm erobern!
Materialangabe
- Konstruktion aus Robinie – sehr haltbares Akazienholz mit einem Durchmesser von ~ 18 cm ohne scharfe Kanten, witterungsbeständig,
- Plattformen aus Robinienholz – sehr dauerhaftes Akazienholz, witterungsbeständig,
- Dächer aus Robinie – sehr haltbares Akazienholz ohne scharfe Kanten, witterungsbeständig
- Seitenwände aus Robinie – sehr dauerhaftes Akazienholz ohne scharfe Kanten, witterungsbeständig
- Rutschen aus rostfreiem Stahl,
- Feuerwehrmast und Rohrschlitten aus Edelstahl,
- Fenster aus witterungsbeständiger HPL-Platte,
- Klettersteine aus witterungsbeständiger HPL-Platte und rostfreiem Stahl,
- Stahlseile aus Polypropylengeflecht, verbunden mit langlebigen Aluminium-,
- Edelstahl- und/oder Kunststoffelementen,
- Leitern aus Stahlseilen in Polypropylenumflechtung und Sprossen aus Kunststoff,
- Kalibrierte Ketten aus rostfreiem Stahl, die ein Einklemmen der Finger verhindern,
- Sprossen aus rostfreiem Stahl,
- Schrauben mit Kunststoffkappen und/oder Schrauben aus rostfreiem Stahl
Weitere Informationen
- Für öffentliche Spielplätze geeignet
- die Geräte verfügen über ein von einer akkreditierten Stelle ausgestelltes Zertifikat oder eine Konformitätserklärung;
- keine scharfen Kanten oder Öffnungen, die die Gefahr des Einklemmens des Kopfes, der Finger oder anderer Körperteile mit sich bringen könnten;
- Verankerung auf ebener Fläche, 100 cm tief;
- Die Rutsche sollte nicht in Richtung Süden ausgerichtet sein;
- Die Darstellung dient nur als Referenz, das tatsächliche Aussehen des Geräts und seine Farbe können abweichen;
Garantien
- 30 Jahre Garantie – Strukturfestigkeit von Stahl- und Edelstahlkomponenten
- 15 Jahre Garantie – Strukturelles Versagen von Stahl und Edelstahl, für dynamische Ausrüstung
- 10 Jahre Garantie – Strukturelles Versagen von Komponenten aus hochdichtem Polyethylen und Hochdrucklaminaten
- 5 Jahre Garantie – Korrosion von Edelstahl und feuerverzinkten und pulverbeschichteten Komponenten; gegen Borkenkäfer und Fäulnis bei Holzbauteilen
- Detaillierte Informationen in der Garantiekarte

Rezensionen
Es gibt noch keine Rezensionen.