Spielanlage mit 4 Spieltürmen, Rutsche, Röhrenrutsche und Kletterelementen CROOC 0301 von Vinci Play
Bei der CROOC-Serie dreht sich alles um schöne, einzigartige Designs, lebendige Farben und Spielplatzsets mit mehreren Türmen, die es großen Gruppen ermöglichen, gemeinsam Spaß zu haben. Märchenhäuser regen Kinder zu Rollenspielen mit ihren Mitmenschen an. Elementverbindende Podeste, Leitern, Kletterwände und Rutschen unterschiedlicher Schwierigkeitsgrade regen umfassend die richtige motorische Entwicklung jedes Kindes an. Die CROOC-Serie garantiert, dass die Energie des Kindes effektiv kanalisiert wird.
- Hochwertige Materialien
- Zertifikate zuverlässiger Institutionen – TÜV Rheinland, ISO 9001
- Professionelle Produktion, Verpackung und Lieferung
- Behinderung erleichtern durch einfacher Zugang und Unterstände
- Intellektuelle Entwicklung durch Denken und Sehen
- Körperliche Entwicklung: Verstecken, Klettern und Rutschen
- Anzahl Türme: 4
- Anzahl Rutschen: 2
- Anzahl Dächer: 2
- Anzahl interaktiver Elemente: 5
- Anzahl Aktivitäten-Elemente: 9
Technische Daten Spielanlage mit 4 Spieltürmen, Rutsche, Röhrenrutsche und Kletterelementen CROOC 0301 von Vinci Play
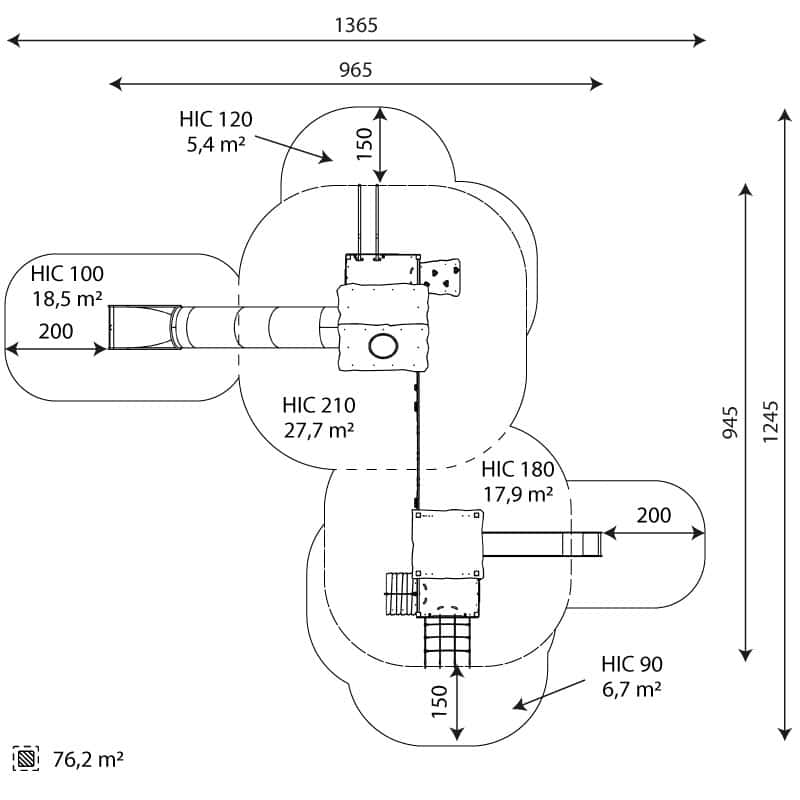
- Länge: 965 cm
- Breite: 945 cm
- Gesamthöhe: 370 cm
- Altersgruppe: 5-14 Jahre
- Anzahl der Nutzer: 43 Kinder
- Sicherheitszone: 76,2 m2
- Freie Fallhöhe: 210 cm
- Plattformhöhe: 90, 120, 180, 210 cm
- Gemäß Norm EN1176-1:2017
- Gewicht des schwersten Teils: 260 kg
- Abmessungen des größten Teils: 610x110x86 cm
- Verfügbarkeit von Ersatzteilen: ja
- Installationszeit: 30 Std
Materialangabe Spielanlage mit 4 Spieltürmen, Rutsche, Röhrenrutsche und Kletterelementen CROOC 0301 von Vinci Play
- Edelstahlstruktur mit 80 x 80 mm Profil,
- Plattformen und Kletterwände aus strapazierfähiger, rutschfester und wasserdichter HPL-Platte,
- Dächer und Seitenwände und Sitze aus strapazierfähiger HPL-Platte, beständig gegen Witterungseinflüsse,
- Rutschen aus Edelstahl mit strapazierfähigen Seitenwänden aus HPL,
- Rohrrutsche aus Edelstahl,
- Bewegliche Elemente aus strapazierfähiger HPL-Platte, witterungsbeständig, sphärische Fenster aus Polycarbonat,
- Langlebige Klettersteine aus Polyesterharzverbund mit mineralischen Füllstoffen, Stahlseile in Polypropylengeflecht, verbunden mit langlebigen Kunststoffelementen, Edelstahl oder Aluminium,
- Leitern aus Stahlseilen mit Polypropylengeflecht und Sprossen aus Kunststoff,
- Kalibrierte Edelstahlketten, die das Einklemmen der Finger verhindern,
- Stangen und Handläufe aus Edelstahl,
- Mit Kunststoffkappen abgedeckte Schrauben und/oder Edelstahlschrauben,
- Sichere Endkappen oben auf der Struktur aus Gummi oder Polypropylen
Weitere Informationen
- behindertengerechte Ausrüstung; bestimmt für öffentliche Spielplätze;
- das Gerät hat ein von einer akkreditierten Stelle ausgestelltes Zertifikat oder eine Konformitätserklärung;
- keine scharfen Kanten oder Ritzen, an denen Kopf, Finger oder andere Körperteile verletzt werden könnten;
- Verankerung auf ebener Fläche, 80/70 cm tief; Rutsche sollte nicht nach Süden eingebaut werden;
- Rendering dient nur als Referenz, das tatsächliche Aussehen des Geräts und seine Farbe können variieren
Garantien
- 30 Jahre Garantie – Strukturfestigkeit von Stahl- und Edelstahlkomponenten
- 15 Jahre Garantie – Strukturelles Versagen von Stahl und Edelstahl, für dynamische Ausrüstung
- 10 Jahre Garantie – Strukturelles Versagen von Komponenten aus hochdichtem Polyethylen und Hochdrucklaminaten
- 5 Jahre Garantie – Korrosion von Edelstahl und feuerverzinkten und pulverbeschichteten Komponenten; gegen Borkenkäfer und Fäulnis bei Holzbauteilen
- Detaillierte Informationen in der Garantiekarte

Rezensionen
Es gibt noch keine Rezensionen.