Ritter-Spielanlage mit 2 Rutschen, Röhrenrutsche und Kletterelementen CASTILLO 3028-1 von Vinci Play
Die CASTILLO Serie besteht aus einer multifunktionalen Turmausrüstung mit beeindruckenden hohen Türmen aus hochwertigsten Materialien. Burgen, Wassergräben, Brücken, Seilelemente und Röhrenrutschen aus Edelstahl ermöglichen freudiges Spielen für Kinder jeden Alters. Speziell für kleine Ritter entwickelt.
- Hochwertige Materialien
- Zertifikate zuverlässiger Institutionen – TÜV Rheinland, ISO 9001
- Professionelle Produktion, Verpackung und Lieferung
- Behinderung erleichtern durch einfacher Zugang, Integration und Unterstände
- Intellektuelle Entwicklung durch Denken und Sehen
- Körperliche Entwicklung: Balancieren, Klettern und Rutschen
- Anzahl Türme: 2
- Anzahl Dächer: 4
- Anzahl Rutschen: 3
- Anzahl interaktiver Elemente: 7
- Anzahl Aktivitäten-Elemente: 6
Technische Daten Ritter-Spielanlage mit 2 Rutschen, Röhrenrutsche und Kletterelementen CASTILLO 3028-1 von Vinci Play
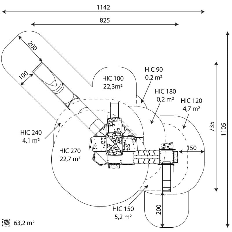
- Länge: 825 cm
- Breite: 735 cm
- Gesamthöhe: 510 cm
- Altersgruppe: 4-14 Jahre
- Anzahl der Nutzer: 44 Kinder
- Sicherheitszone: 63,2 m2
- Freie Fallhöhe: 270 cm
- Plattformhöhe: 90, 120, 150, 180, 210, 240, 300 cm
- Plattformhöhe der Röhrenrutsche: 240 cm
- Plattformhöhe der Rutsche: 90, 120 cm
- Gewicht des schwersten Teils: 235 kg
- Abmessungen des größten Teils: 513x101x366 cm cm
- Gemäß Norm EN1176-1:2017
- Verfügbarkeit von Ersatzteilen: ja
- Installationszeit: 24 Stunden
Materialangabe Ritter-Spielanlage mit 2 Rutschen, Röhrenrutsche und Kletterelementen CASTILLO 3028-1 von Vinci Play
- Pulververzinkte und pulverbeschichtete oder Edelstahlkonstruktion aus 80 x 80 mm Profil,
- Plattformen und Kletterwände aus strapazierfähiger, rutschfester und wasserdichter HPL-Platte, Dächer und Seitenwände aus strapazierfähiger HDPE-Platte, witterungsbeständig, transparente Polycarbonatplatten mit dauerhaftem Aufdruck, kratz- und witterungsbeständig
- Rutschen aus Edelstahl mit strapazierfähigen Seitenteilen aus HDPE,
- Feuerwehrstange aus Edelstahl,
- Rohrrutsche aus Edelstahl,
- Pädagogische Paneele und bewegliche Elemente aus HDPE-Platte, beständig gegen Witterungseinflüsse,
- Zeichenbrett aus strapazierfähiger HPL-Platte, witterungsbeständig, Labyrinthfenster aus Polycarbonat, Kugeln aus Kunststoff, langlebige Klettersteine aus Polyesterharzverbund mit mineralischen Füllstoffen, Stahlseile aus Polypropylengeflecht, verbunden mit langlebigen Kunststoffelementen, rostfrei Stahl oder Aluminium,
- Attestierte, sichere Sitze,
- Kalibrierte Edelstahlketten, die das Einklemmen der Finger verhindern, Edelstahlstangen, Leitern und Handläufe,
- Edelstahlschrauben und/oder Schrauben mit Kunststoffkappen,
- Sichere Endkappen oben auf der Struktur aus Gummi oder Polypropylen,
Weitere Informationen
- behindertengerechte Ausrüstung; bestimmt für öffentliche Spielplätze;
- das Gerät hat ein von einer akkreditierten Stelle ausgestelltes Zertifikat oder eine Konformitätserklärung;
- keine scharfen Kanten oder Ritzen, an denen Kopf, Finger oder andere Körperteile verletzt werden könnten;
- Verankerung auf ebener Fläche, 80/70 cm tief; Rutsche sollte nicht nach Süden eingebaut werden;
- Rendering dient nur als Referenz, das tatsächliche Aussehen des Geräts und seine Farbe können variieren;
Garantien
- 30 Jahre Garantie – Strukturfestigkeit von Stahl- und Edelstahlkomponenten
- 15 Jahre Garantie – Strukturelles Versagen von Stahl und Edelstahl, für dynamische Ausrüstung
- 10 Jahre Garantie – Strukturelles Versagen von Komponenten aus hochdichtem Polyethylen und Hochdrucklaminaten
- 5 Jahre Garantie – Korrosion von Edelstahl und feuerverzinkten und pulverbeschichteten Komponenten; gegen Borkenkäfer und Fäulnis bei Holzbauteilen
- Detaillierte Informationen in der Garantiekarte

Rezensionen
Es gibt noch keine Rezensionen.